Appel aux magiciens de la CAO

Bonjour, je cherche de l’aide.

J’ai mis mon affreux STL en pièce jointe.

J’ai la flemme d’apprendre un vrai logiciel de conception 3 D, (et peut être que je suis trop bête :rofl: ). J’ai beaucoup à faire déjà pour essayer d’apprendre les montages vidéos et bon chez Free, il y a un nouveau process tous les jours que je dois apprendre et j’ai la tête comme un choux fleur.

J’ai donc conçu un embout de démarreur pour moteur thermique qui permet d’accrocher l’hélice lorsque l’on a pas de cône d’hélice. C’est fait en PLU et c’est fonctionnel. Je l’ai fait en empilant coupant et modifiant plusieurs fichiers sur Tinkercad comme je fait d’habitude. Mais ça fait un truc trop long, qui se déchire à cause des escaliers dedans et qui est un poil trop faible au niveau des encoches. En revanche le cône qui permet d’augmenter le diamètre est à garder, car il permet une impression sans supports.

Si le dedans pouvais etre conique aussi ce serait bien pour centrer le bout de vilebrequin et l’écrou.

J’aimerais donc enlever les escaliers dedans et faire un truc lisse qui ne fait pas d’amorces de déchirement et qui soit un peu plus épais sur les “dents” en les agrandissant vers l’intérieur de 1.5 fois et réduire la hauteur a deux endroits, en bas de 8 mm et en haut à raz des encoches j’ai fait deux dessins.

Si l’un d’entre vous sait me faire ça, ce serait génial. Merci d’avance.

Bon si ce n’est pas trop compliqué, faire le même avec un diamètre de la partie haute pour les dents, mettons un peu plus petit pour les petits moteurs , ce serait pas mal aussi. Mais là, je pousse.

démarreur hélice.stl (154,9 Ko)

Un dessin sur papier avec les côtes de ta piece, serait plus simple.
Honnêtement j’ai pas tout compris.

Ben charger le STL, il y a les cotes, faire un cône dedans au lieu d’escaliers, réduire la hauteur. sur les deux partie hachées en les supprimant et augmenter la largeur des dents. C’est simple non :rofl: ?

non

Bon, je vais continuer sur Tinkercad alors.

Je regarde ça Den !

Ah merci Greg.

Ok, On va regarder ton STL hi..hi..hi

En vrai, j’en ai refait un qui semble plus proche que ce que je voulais, vous m’avez motivés, mais je n’arrive pas trop a voir si la partie conique est assez épaisse qui relie le petit morceau en bas et le gros en haut.

cone refait.stl (134,4 Ko)

Voilà ce que ça donne chez moi (j’ai laissé un peu de matière entre la fin des “dents” et le début du cône pour une meilleure solidité) :

démarreur hélice court.stl (1,1 Mo)

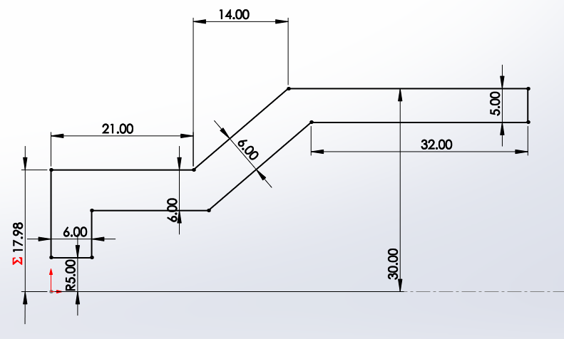
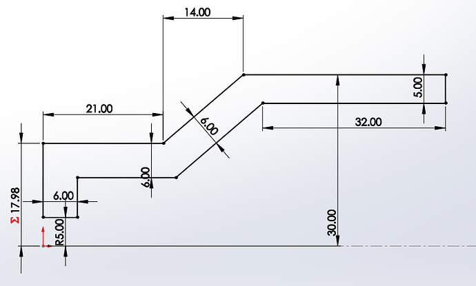
Les côtes utilisées (demi pièce en coupe, utilisée pour faire une révolution autour de l’axe en bas) :

1 « J'aime »

Ah oui, super propre, je l’imprime ce week-end, et l’essaye dans la foulée.

Merci Greg.

Tu me diras ce que ça donne, et si je dois faire des retouches.

Je te ferai une version “petits moteurs” ensuite. :wink:

1 « J'aime »

Pour la petit moteur, je ferai en sorte de prendre des cotes plus précises.

Merci encore.

Trop tard mais j’ai bien aimé l’exercice

3 « J'aime »

Ah oui, sympa aussi, tu as le stl ?

Petit conseil , éviter si possible d’avoir des angle à la jonction des cônes. Ce sont des amorces de ruptures. Il vaut mieux mettre un congé, c’est à dire de mettre un petit rayon.

JF

2 « J'aime »

Oui, c’est ce que j’ai fait pour cette raison en effet.

1 « J'aime »

Le modèle Greg est en production !

3 « J'aime »

Juste pour le plaisir …

1 « J'aime »